Для эффективной работы модели AST усилие должно прикладываться немного впереди центра тяжести и под углом 90 градусов.

С помощью мыши или пальца перетащите и поверните
Для эффективной работы модели AST усилие должно прикладываться немного впереди центра тяжести и под углом 90 градусов.

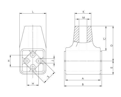
| Model / Type | G max N | nerr min¯¹ max in +-5 | A | B | C | D | E | H | J | K | L | M | S | Ağırlık / Weight (Kg) | ||||
| AST 18 | 400 | 600 | 50 | 55 | 0 -0,3 | 30,5 | 45 | 20 | 12 | + - | 0,3 | 6 | +0,5 0 | 22 | 39 | M12 | 18 | 0,2 |
| AST 18 | 400 | 600 | 50 | 55 | 0 -0,3 | 30,5 | 45 | 20 | 12 | + - | 0,3 | 6 | +0,5 0 | 22 | 39 | M12-LH | 18 | 0,2 |
| AST 18L | 400 | 600 | 50 | 55 | 0 -0,3 | 30,5 | 45 | 20 | 20 | + - | 0,4 | 8 | +0,5 0 | 28 | 54 | M16 | 25 | 0,4 |
| AST 18L | 400 | 600 | 50 | 55 | 0 -0,3 | 30,5 | 45 | 20 | 20 | + - | 0,4 | 8 | +0,5 0 | 28 | 54 | M16-LH | 25 | 0,4 |
| AST 27 | 1000 | 560 | 60 | 65 | 0 -0,3 | 44 | 60 | 27 | 25 | + - | 0,4 | 10 | +0,5 0 | 42 | 74 | M20 | 35 | 1,2 |
| AST 27 | 1000 | 560 | 60 | 65 | 0 -0,3 | 44 | 60 | 27 | 25 | + - | 0,4 | 10 | +0,5 0 | 42 | 74 | M20-LH | 35 | 1,2 |
| AST 27L | 1000 | 560 | 60 | 65 | 0 -0,3 | 44 | 60 | 27 | 35 | + - | 0,5 | 12 | +0,5 0 | 48 | 89 | M24 | 45 | 1,8 |
| AST 27L | 1000 | 560 | 60 | 65 | 0 -0,3 | 44 | 60 | 27 | 35 | + - | 0,5 | 12 | +0,5 0 | 48 | 89 | M24-LH | 45 | 1,8 |
| AST 38 | 2000 | 530 | 80 | 90 | 0 -0,3 | 55 | 80 | 37 | 40 | + - | 0,5 | M12x40 | 60 | 93 | M36 | 50 | 5,2 | |
| AST 38 | 2000 | 530 | 80 | 90 | 0 -0,3 | 55 | 80 | 37 | 40 | + - | 0,5 | M12x40 | 60 | 93 | M36-LH | 50 | 5,2 | |
| AST 38L | 2000 | 530 | 80 | 90 | 0 -0,3 | 55 | 80 | 37 | 40 | + - | 0,5 | M12x40 | 60 | 93 | M36 | 50 | 7,0 | |
| AST 38L | 2000 | 530 | 80 | 90 | 0 -0,3 | 55 | 80 | 37 | 40 | + - | 0,5 | M12x40 | 60 | 93 | M36-LH | 50 | 7,0 | |
| AST 45 | 3500 | 500 | 100 | 110 | 0 -0,3 | 67 | 100 | 44 | 45 | M16 | 80 | 117 | M42 | 60 | 15,6 | |||
| AST 45 | 3500 | 500 | 100 | 110 | 0 -0,3 | 67 | 100 | 44 | 45 | M16 | 80 | 117 | M42-LH | 60 | 15,6 | |||
| AST 45L | 3500 | 500 | 100 | 110 | 0 -0,3 | 67 | 100 | 44 | 45 | M16 | 75 | 117 | M42 | 60 | 20 | |||
| AST 45L | 3500 | 500 | 100 | 110 | 0 -0,3 | 67 | 100 | 44 | 45 | M16 | 75 | 117 | M42-LH | 60 | 20 | |||
| AST 50 | 6000 | 470 | 120 | 130 | 0 -0,3 | 70 | 105 | 47 | 60 | M20 | 90 | 150 | M52 | 80 | 35 | |||
| AST 50 | 6000 | 470 | 120 | 130 | 0 -0,3 | 70 | 105 | 47 | 60 | M20 | 90 | 150 | M52-LH | 80 | 35 |